| 項目 | 規格參數 | |||||
| 相對孔徑 (F No.) | 1.65 | |||||
| 焦距(Focal-Length) | 0.95 | |||||
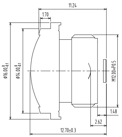
| 光學后焦 (Optical Back Focal Length) | 2.62 | |||||
| 機械后焦(Flange Back Focal Length) | 1.48 | |||||
| 最大像面大小(MAX Image circle) | ?4.0 | |||||
| 鏡片構成(Lens structure) | 1G4P | |||||
| 接口 (Mount ) | M12*0.5 | |||||
芯片Sensor | GC2053 1/2.9 | IMX225 1/3 | 1/4 | 1/5 | 1/6 | |
| 視場角(FOV ) | DFOV(對角) | 210° | 210° | 210° | 167° | 140° |
| HFOV(水平) | 210° | 210° | 192° | 137° | 113° | |
| VFOV(垂直) | 153° | 179° | 113° | 107° | 87° | |
| 畸變(TV Distortion) | 110% | 110% | 110% | 23% | 15% | |
| 最大主光線夾角(CRA) | 19.6° | 19.6° | 19.6° | 19.3° | 16.7° | |
| 光學總長(TTL) | 12.7 | |||||
| 操作溫度 (Operating temperature) | -20℃~+85℃ | |||||
IP防護等級:IP69 | Tavg>=88% @420-600nm | T=50% @650±10nm | Tavg<=5% @700-1050nm | |||
| 尺寸圖 | ||||||
深圳市聯視電子有限公司 TEL:13715318467 QQ:312331956 網址:www.yelens.com | ||||||



