配1/3芯片1.45mm焦距短TTL大角度車載后視防水鏡頭HD1080
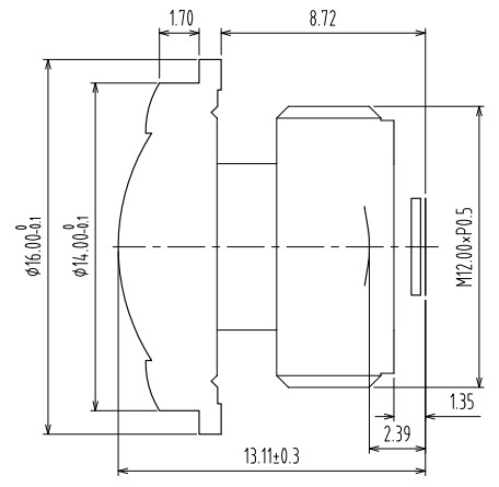
項目規格參數相對孔徑 (F No.)2.2焦距(Focal-Length)1.45mm光學后焦 (Optical Back Focal Length)2.39mm機械后焦(Flange Back Focal Length)1.35mm最大像面大小(MAX Image circle)?4.1鏡片構成(Lens structure)2G3P接口 (Mount )M12*0.5芯片 (Sensor )
- 型號: LS9129
- 適配芯片: 1/3,1/4
- 水平視角: 160,170,180,190
- 光圈: 2.2
- 焦距: 1.4,1.5
- 光學總長: 13,14
- 接口: M12


