| 項目 | 規格參數 | |||
| 相對孔徑 (F No.) | 2.5 | |||
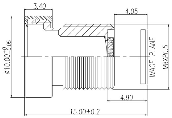
| 焦距(Focal-Length) | 3.2mm | |||
| 光學后焦 (Optical Back Focal Length) | 4.9mm | |||
| 機械后焦(Flange Back Focal Length) | 4.05mm | |||
| 最大像面大小(MAX Image circle) | ?6.09 | |||
| 鏡片構成(Lens structure) | 4G | |||
| 像素分辨率(Megapixel) | M | |||
| 接口 (Mount ) | M8*0.5 | |||
| 視場角(FOV ) | Sensor | D(對角)° | H(水平)° | V(垂直)° |
| 1/3 | 122 | 96 | 61 | |
| 畸變(TV Distortion) | 16% | |||
| 光學總長(Total Length) | 15mm | |||
| 操作溫度 (Operating temperature) | -20℃~+70℃ | |||
| IP防護等級:IP0 | Tavg>=88% @420-600nm | T=50% @650±10nm | Tavg<=5% @700-1050nm | |
| 尺寸圖 | ||||
| 深圳市聯視電子有限公司 TEL:13715318467 QQ:312331956 網址:www.yelens.com | ||||


