M8小鏡頭1/2.7芯片廣角配10x10定位柱底座F3.0光圈焦距f3.2mm
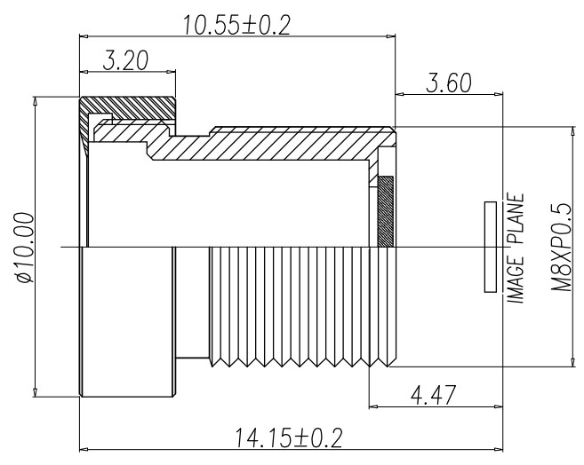
LS146-M8規格書項目規格參數相對孔徑 (F No.)3.0焦距(Focal-Length)3.2mm光學后焦 (Optical Back Focal Length)4.47mm機械后焦(Flange Back Focal Length)3.6mm最大像面大小(MAX Image circle)?6.8鏡片構成(Lens structure)3G1P+IR接口 (Mount )M8*0.5視
- 型號: LS146-M8
- 適配芯片: 1/2.7,1/2.9,1/3,1/4
- 水平視角: 120
- 光圈: 3.0
- 焦距: 3.2
- 光學總長: 14,15
- 接口: M8

